產品名稱
TPT4634/TPT4635/TPT4636高溫熔體壓力變送器(high temperature melt pressure transducer)
特征與應用
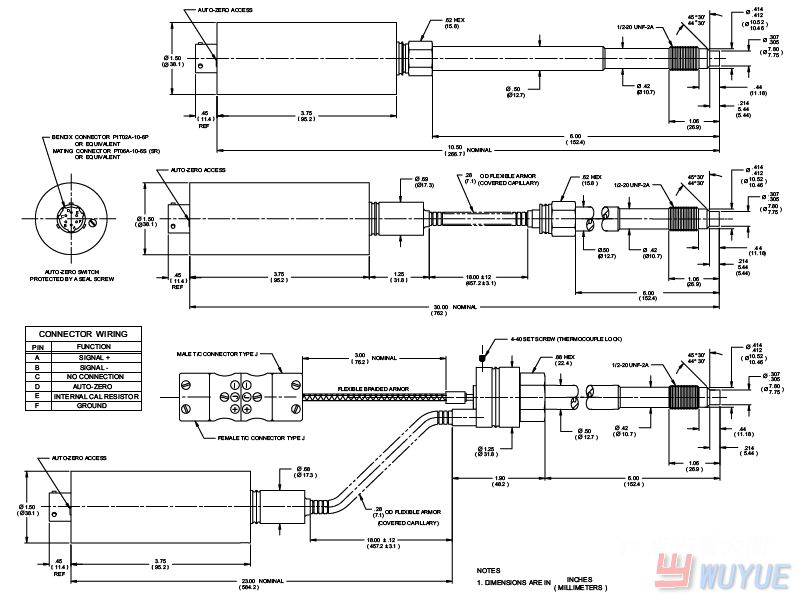
特性: ★裝有J型熱電耦.可以同點測量溫度 ★量程:從0-500psi到0-30,000psi ★抗干擾性強 ★熱電耦可以在現場拆卸和更換 ★具有柔性管,使應變片及變送部分遠 ★良好的穩定性和重復性 ★輸出:4-20mA/0-5V/0-10V 離高溫區 ★通過CE認證 ★直接輸入到上位控制系統 ★內部80%校驗 ★熱電阻和其它類型熱電耦可以選配 ★精度: ±0.5% TPT4634/TPT4635/TPT4636高溫熔體壓力變送器(high temperature melt pressure transducer)
技術參數
|
量程(psi) 0-500;0-750;0-1,000;0-1,500;0-3,000; |
安裝轉矩:500inch-lbs |
