
特性: ★ 具有柔性管,可使應變片外殼遠離高溫區 ★ 精度:高于1.0% ★ 輸出:滿量程3.33mV/V ★ 厚膜片材料Inconel,適合于磨損較大的環境 ★ 熱穩定性優越 ★ 超耐用專利傳感元件 ★ 量程:從0-3000psi到0-30,000psi ★ 內部80%校驗 ★ 通過CE認證 TPT463E高溫熔體壓力傳…
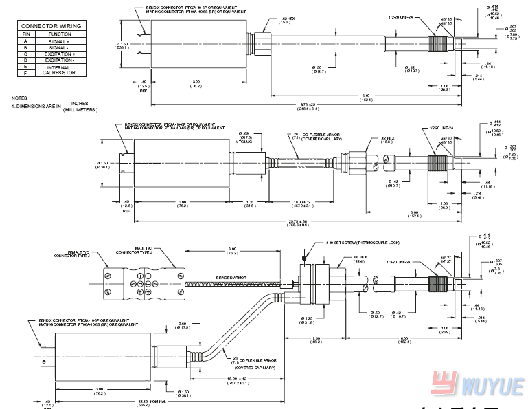
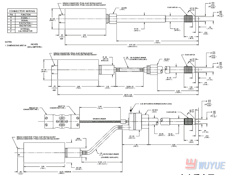
特性: ★ 裝有J型熱電耦,可以同點測量溫度 內部80%校驗 ★ 熱電耦可以在現場拆卸和更換 量程 從0-500psi到0-30,000psi ★ 具有柔性管,使應變片外殼遠離高溫區 良好的穩定性和重復性 ★ 精度:高于0.5% 通過CE認證 輸出:滿量程3.33mV/V 熱電阻和其它類型熱電耦可以選配 T…
特性: ★ 裝有J型熱電耦,可以同點測量溫度 ★ 熱電耦可以在現場拆卸和更換 ★ 具有柔性管,可使應變片外殼遠離高溫區 ★ 熱電阻和其他類型熱電耦可以選配 ★ 其他特性與PT460XL相同 TPT463XL高溫熔體壓力傳感器 (high temperature melt pressure sensor)
特性: ★ 裝有J型熱電耦,可以同點測量溫度 輸出:滿量程3.33mV/V 通過CE認證 ★ 熱電耦可以在現場拆卸和更換 內部80%校驗 熱電阻和其它類型熱電耦 ★ 具有柔性管,使應變片盒遠離高溫區 量程:從0-500psi到0-30,000psi 可以選配 ★ 精度: 0.25% 熱穩定性和重復性精度高 TP…
特性: ★ 裝有熱電耦,可以同點測量溫度 ★ 熱電耦可以在現場拆卸和更換 ★ 具有柔性管,使應變片盒遠離高溫區 ★ 其它特性與PT410相同 TPT412高溫熔體壓力傳感器(high temperature melt pressure sensor)
